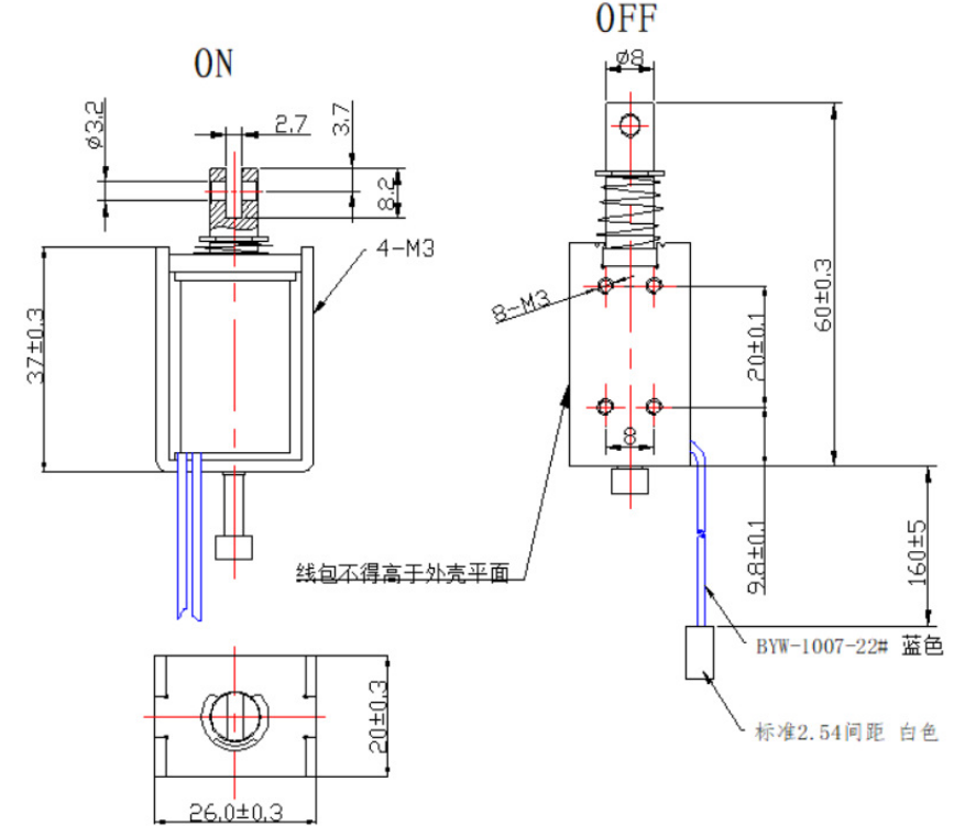
产品参数:
1.工作环境温度、湿度:-20℃~+85℃、5%~95%RH
2.储存环境温度、湿度:-20℃~+85℃、5%~95%RH
3.耐压:AC800V 50/60Hz-1秒,漏电流最大1毫安(线圈和外壳之间)
4.工作电压:24VDC±10%
5.行程:0~10mm
6.力量:1530~80gf(通电24VDC)
7.工作循环:间歇性循环
8.寿命:50万次(24VDC 间歇性循环,空载)
9.响应时间:≦0.05S(24VDC,S=6.0mm,空载)
10.盐雾测试:≧48H(中性盐雾测试,不出现红锈)
11.环保(SoHS):符合欧盟2002/95/EC(RoHS)

产品的各项参数测试:



产品应用领域:
电磁铁在我们的日常生活中有着极其广泛的应用,如下:
(1)电铃,拍打式电磁铁的运用;
(2)自动化控制设备,如分流生产线、振动盘底座等;
(3)办公自动化,打印机等、传真机、计时器、复印机、打字机、电脑设备、绘图机、列表机;
(4)包装机械、医疗器械、食品机械(如洗碗机)、自动贩卖机等;
(5)电磁继电器;
(6)家用电器,如智能电饭锅、自动百叶排风扇等、家庭音响、磁带录音或录像机、电子琴、自动钢琴、伴唱机、灯具、按摩器等;
(7)锁类,如储物柜、寄存柜、存取柜等所用的电控锁、门禁锁等;
(8)纺织机械,如电脑横机、电脑绣花机、缝纫机等;
(9)存取款机(ATM机)、投币器、售票机、收银机、换货机等;
(10)游戏机、吃角子老虎、各种选币机、彩弹球等;
目前公司电磁铁、电磁阀产品种类众多,涵盖工程机械、汽车、家用电器、智能家居、医疗设备、自动售卖设备、自动化设备、物联网、金融设备、办公设备、印染设备、纺织机械、智能交通、环境工程等多个领域。
大众彩票5988cc因产品具有稳定可靠的性能、使用寿命长、服务高效快捷而受到客户的广泛赞誉。
本公司欢迎各位有需要的朋友来样、来图咨询;我们给您最服务!
我司郑重承诺:源头厂家、专业研发、品质保障、经久耐用、优质服务
联系电话(微信)漆生:13590862927
地址:中山市小榄镇绩西欢顺路22号2楼