Current location:Home > Product > Electromagnet Product Features > Push-pull / frame type electromagnet

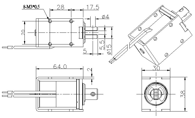
产品名称:1564L-01

1564L-01

Detailed

图片关键词

图片关键词

图片关键词

图片关键词

图片关键词

图片关键词

图片关键词

 

Hits:  UpdateTime:2018-04-08 12:02:20  【Printing】  【Close
Previous:2551T  Next:1253S-01