Home
About us
Product
News
Case
Contact
中文
Current location:
Home
>
Product
>
Electromagnet Product Features
>
Direct acting electromagnet
Electromagnet Product Features
Sucker
Round tube
Push-pull / frame type electromagnet
Single-guard electromagnet
Double holding electromagnet
Direct acting electromagnet
Electromagnets by application
Household appliances
Smart cabinet/door lock
Office/medical equipment
Textile machinery
New energy charging
Kids toys
)ther
Solenoid valve series
Gas solenoid valve
Liquid solenoid valve
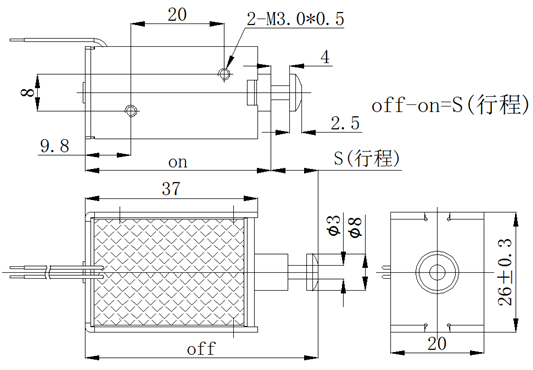
产品名称:KDL-0837L-01
Detailed
产品名称:直动电磁铁
产品型号:KDL-0837L-01
主要参数:
1.额定电压:6~48VDC
2.行程:0~6mm
3.力量:1330-80gf
4.产品重量:98g
5.耐压:1秒 @700ACV 50/60Hz 最大漏电量
≦
0.1mA
6.绝缘等级:CLASS B(130°)
7.工作环境:环境温度:-5℃~+45℃;相对湿度: 20%~85%
8.寿命: 50万次
9.产品应用:收银箱、自动贩机、储物柜锁等及其他领域
Hits:
UpdateTime:2018-04-13 14:59:50 【
Printing
】 【
Close
】
Previous:
KDL-0946S-01
Next:
KDL-0727S-01
Consulting