Current location:Home > Product > Electromagnet Product Features > Direct acting electromagnet

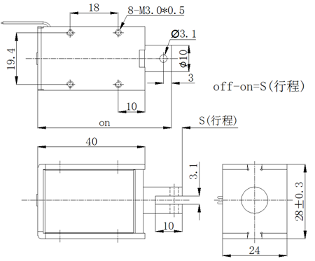
产品名称:KDL-1040L-01

KDL-1040L-01

Detailed

image039.png


产品名称:直动电磁铁
产品型号:KDL-1040L-01
主要参数:
1.额定电压:6~48VDC
2.行程:0~10mm
3.力量:2800-90gf
4.产品重量:150g
5.耐压:1秒 @700ACV 50/60Hz 最大漏电量0.1mA
6.绝缘等级:CLASS B(130°)
7.工作环境:环境温度:-5℃~+45℃;相对湿度: 20%~85%   
8.寿命: 100万次
9.产品应用:ATM机/打印机及其他领域




Hits:  UpdateTime:2018-04-13 15:03:00  【Printing】  【Close
Previous:KDL-1245L-01  Next:KDL-0946S-01