Home
About us
Product
News
Case
Contact
中文
Current location:
Home
>
Product
>
Electromagnet Product Features
>
Double holding electromagnet
Electromagnet Product Features
Sucker
Round tube
Push-pull / frame type electromagnet
Single-guard electromagnet
Double holding electromagnet
Direct acting electromagnet
Electromagnets by application
Household appliances
Smart cabinet/door lock
Office/medical equipment
Textile machinery
New energy charging
Kids toys
)ther
Solenoid valve series
Gas solenoid valve
Liquid solenoid valve
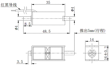
产品名称:KDL-0735K-01
Detailed
产品名称:双保持式电磁铁
产品型号:KDL-0735K-01
主要参数:
1.额定电压:12VDC
2.行程:5mm
3.力量:通电状态下行程5mm时力量150gf,未通电状态下0mm时最大保持力800gf
4.产品重量:55g
5.耐压:1秒 @700ACV 50/60Hz 最大漏电量
≦
0.1mA
6.绝缘等级:CLASS B(130°)
7.工作环境:环境温度:-5℃~+45℃;相对湿度: 20%~85%
9.产品应用:电动汽车充电枪及其他领域
Hits:
UpdateTime:2018-04-13 15:08:54 【
Printing
】 【
Close
】
Previous:
KDL-0740K-01
Next:
KDL-1564L-01
Consulting