Current location:Home > Product > Electromagnet Product Features > Single-guard electromagnet

产品名称:KDL-K0951-01

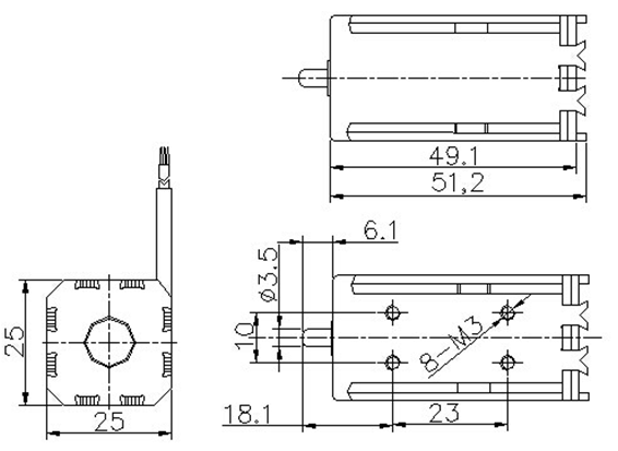
KDL-K0951-01

Detailed

image070.png

产品名称:单保持式电磁铁
产品型号:KDL-K0951-01
主要参数:
1.额定电压:24VDC
2.行程:1mm
3.力量:未通电状态下行程0mm时,保持力在2.5kgf以上;通电状态下行程1mm时,力量在2.3kgf以上。
4.产品重量:35g
5.耐压:1秒 @700ACV 50/60Hz 最大漏电量0.1mA
6.绝缘等级:CLASS B(130°)
7.工作环境:环境温度:-5℃~+45℃;相对湿度: 20%~85%   
8.寿命:正常使用状态下 50万次以上
9.应用:电脑横机、手摇横机、织领机、电脑绣花机、织带提花机、手套机、袜机等各类机械


Hits:  UpdateTime:2018-04-13 15:15:11  【Printing】  【Close
Previous:KDL-0315L-01  Next:KDL-0734K-01